Damià Milanés
Categorias
Esfuerzos internos
Dentro del campo del Diseño y cálculo estructural una de las tareas fundamentales recae en el conocimiento de las propiedades de los materiales así como la valoración de cómo las acciones externas repercuten sobre los mismos.
Cuando una estructura, bien sea una estructura metálica o una estructura de hormigón, está sometida a las acciones exteriores, los materiales se ponen manos a la obra y aparecen esfuerzos internos en vigas y columnas que pretenden equilibrar las fuerzas externas:

Fruto de estos esfuerzos internos y para lograr el equilibrio, será necesario aplicar en todos los puntos de la sección una distribución de carga concreta. Aparece pues el concepto de tensión las cuales se clasifican en:
- Tensiones normales: σ
- Tensiones tangenciales: τ

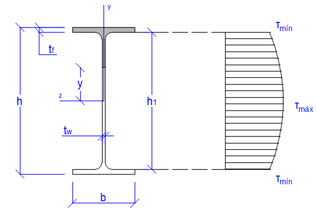
En este pequeño artículo nos centramos en las tensiones tangenciales que se rigen por la ley de Collignon-Jourawski y son fruto del esfuerzo cortante. En particular nos centramos en cómo varían las tensiones tangenciales en un perfil doble T y veremos cómo se puede asumir que prácticamente va a ser el alma del perfil quien haga frente a estos esfuerzos de forma exclusiva. En perfiles doble T sometidos a un esfuerzo cortante, la distribución de tensiones tangenciales sigue una ley como la mostrada:

Como vemos la tensión es prácticamente nula en las alas, mientras que se hace máxima “τmáx” en el centro del alma del perfil. Si nos centramos en la distribución de tensiones en el alma, ésta sigue una ley en la que nos encontramos con una tensión mínima “τmín” en el encuentro entre alma y ala y, como decíamos, una tensión máxima “τmáx” en el centro del alma. Lo vemos:

Como vemos el alma resiste la mayoría del esfuerzo cortante. De ahí que sea habitual aproximar el cálculo del valor de la tensión tangencial máxima dividiendo el esfuerzo cortante entre el área del alma exclusivamente obteniéndose lo que se conoce como tensión promedio “τpromedio”. A continuación se propone un pequeño ejercicio donde se evalúan todos estos conceptos y se repasa la expresión de Collignon-Jourawski que permite calcular la tensión tangencial en cualquier nivel de la sección.
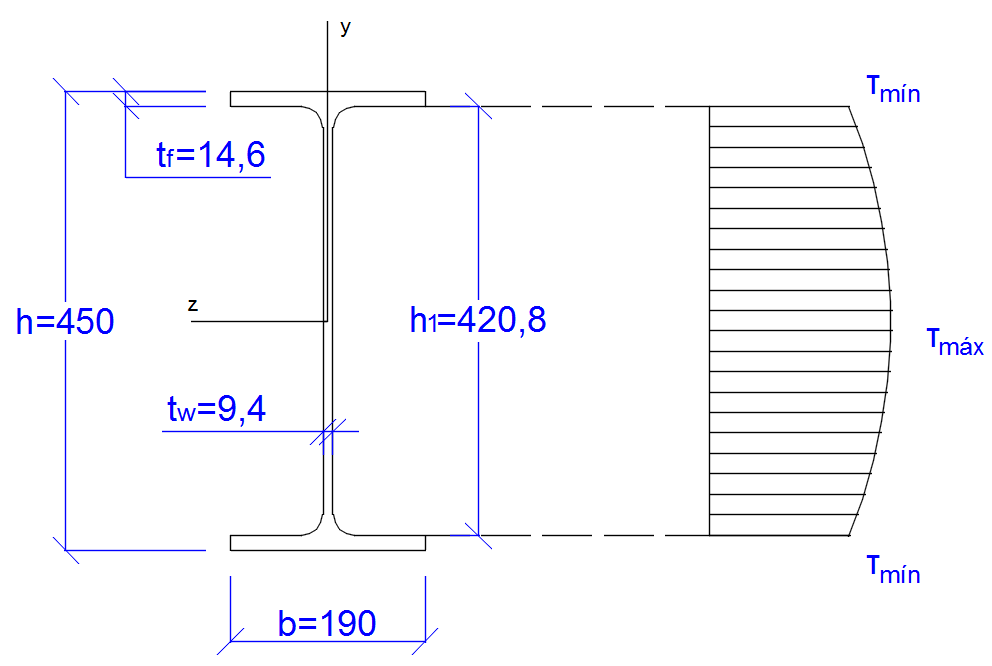
Viga doble T IPE-450 sometida a un esfuerzo cortante vertical de Vy = 30 kN. Las dimensiones transversales se muestran a continuación:

La expresión de Collignon-Jourawski con la que trabajaremos es:
τ=Vy·MeIz·b
Donde: - Vy: cortante vertical de cálculo que solicita la sección.
- Me: momento de primer orden o momento estático del área que hay por encima del nivel donde se quiere conocer la tensión tangencial respecto al eje de flexión z.
- Iz: inercia de toda la sección respecto al eje de flexión z.
- b: ancho del elemento donde se quiere calcular la tensión.
Arrancamos el ejercicio calculando la inercia Iz de toda la sección:
Iz=112b·h3-b·h13+tw·h13=112190·4503-190·420,803+9,40·420,803=321,16·106 mm4
Seguidamente se calcula la tensión tangencial mínima “τmín” que se localiza en el alma justo en el punto de encuentro entre alma y ala: Seguimos con el cálculo de la tensión tangencial máxima “τmáx” que se localiza justo en el centro del alma:
τmín=Vy·Me.alasupIz·tw=30·103·190·14,60·217,70321,16·106·9,40=6 MPa
A continuación se incluye un esquema para comprender cómo se han obtenido los momentos estáticos en los dos cálculos previos:

Como decíamos más arriba, para este tipo de perfiles es habitual aproximar la tensión tangencial máxima como el valor promedio que solicita al alma. Considerando pues que todo el esfuerzo cortante lo resiste el alma únicamente, obtendremos una tensión promedio “τpromedio” que vale: Con esta simplificación pasamos de tener una distribución de tensiones parabólica en el alma a una distribución uniforme:

Conclusión: Vemos que la tolerancia entre la tensión promedia y la tensión máxima es de solo el 6% por lo que trabajar con tensiones tangenciales promedias en el alma en perfiles doble T es una simplificación que podemos llegar a asumir.
Este artículo está relacionado con el Máster Internacional en Estructuras Metálicas y Mixtas de Edificación.
Damià Milanés
Formación relacionada